内外孔精密检测解决方案
——摆脱三坐标测量痛点,动态补正即时测量
即时检测
内外孔测量 、微米级精度、毫秒级响应
对工件孔类特征(直径、圆度、圆柱度、位置度)的精准检测,决定装配精度与产品性能。
从孔径、圆度到位置度,机床测头一键完成,无需离线检测
解决方案
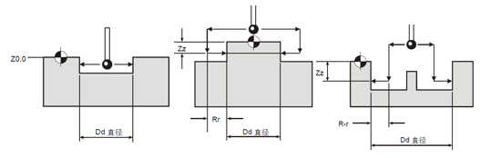
测头深入孔内,多点触碰内壁/外圆
实时记录各点坐标,传输至数控系统
自动计算直径/圆心/圆度,生成检测报告,必要时自动更新刀补

单点探测
快速确认孔直径
三点定圆
测量直径与圆心
阵列测量
批量检测多孔位置度
——摆脱三坐标测量痛点,动态补正即时测量
内外孔测量 、微米级精度、毫秒级响应
对工件孔类特征(直径、圆度、圆柱度、位置度)的精准检测,决定装配精度与产品性能。
从孔径、圆度到位置度,机床测头一键完成,无需离线检测
测头深入孔内,多点触碰内壁/外圆
实时记录各点坐标,传输至数控系统
自动计算直径/圆心/圆度,生成检测报告,必要时自动更新刀补

单点探测
快速确认孔直径
三点定圆
测量直径与圆心
阵列测量
批量检测多孔位置度