智能工件找正解决方案
——破解传统加工异常问题,智能辅助摆正测量
智能检测
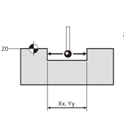
工件找正,是在加工前告诉机床“工件放在哪里、是正是歪”的过程
消除装夹偏差和毛坯不平整带来的误差,保证加工精度
无需反复敲打校准,停机时间大幅缩短,提升加工效率
无人干预,自动检测与补偿,实现自动化
解决方案
加工前:检查产品漏加工、面对大型工件的测量方案实现工件找正需要较长时间
加工中:产品加工过程中往往会出现产品发生形变、工件摆放不到位
加工后:在线检测产品尺寸合格度
测头使用M代码/触碰激活实现一键启动,完成精准找正
测头以设定速度接近工件基准面(边缘/内孔/凸台),自动识别触碰点
触碰瞬间发出信号,通过红外/无线电传输至接收器
数控系统自动记录点位,计算工件中心/角度,更新坐标系



应用场景